

一、導軌式溫度變送器概述:
SBWR熱電偶溫度變送器、SBWZ熱電阻溫度變送器是DDZ-S系列儀表中的現場安裝式溫度變送單元。它采用二線傳送方式(兩根導線作為電源輸入,信號輸出的公用傳輸線)。將熱電偶、熱電阻信號變換成輸入電信號或被測溫度或成線性的4~20mA的輸出信號,變送器可以安裝于熱電偶、熱電阻的接線盒內與之形成一體化結構。它作為新一代測溫儀表可廣泛應用于冶金、石油化工、電力、輕工、紡織、食品、國防以及科研等工業部門。
二、導軌式溫度變送器特點:
1、采用環氧樹脂密封結構,因此抗震、耐溫,適合在惡劣現場環境中安裝使用。
2、現場安裝于熱電阻、熱電偶的接線盒內,直接輸出4~20mA,這樣既省去較貴的補償導線費用,又提高了信號長距離傳送過程中的抗干擾能力。
3、精度高、功耗低、使用環境溫度范圍寬、工作穩定可靠。
4、量程可調,并具有線性化較正功能,熱電偶溫度變送器具有冷端自動補償功能。應用面廣,既可與熱電偶、熱電阻形成一體化現場安裝結構,也可作為功能模塊安裝入檢測設備中。
三、導軌式溫度變送器主要技術指標:
1、輸入:熱電阻Pt100、Cu50、Cu100
熱電偶K、E、S、B、T、J、N
2、輸出:在量程范圍內輸出4~20mA直流信號可與熱電阻溫度計的輸出電阻信號成線性,可與熱電阻溫度計的輸入溫度信號成線性;可與熱電偶輸入的毫伏信號成線性,也可與熱電偶溫度計的輸入溫度信號成線性。
3、基本誤差:±0.2%、±0.5%
4、傳送方式:二線制
5、變送器工作電源電壓最低12V,最高35V,額定工作電壓24V。

6、負載:極限負二載電阻按下式計算
RL(max)=50×(Vmm-12)
即24V時負載電阻可在0~600Ω范圍內選用)額定負載250Ω。
注:量程可調式變送器,改變量程時零點與滿度需反復調試;電偶型變送器在調試前須預熱30分鐘。
7、環境溫度影響≤0.05%1℃
8、正常工作環境:
a、環境溫度 -25℃~+80℃
b、相對濕度5%~95%
c、機械振動f≤55Hz振幅<0.15mm
|
型號 |
傳感器分度號 |
最大量程規定 |
規定最小值量程范圍(上限下限之差) |
|
SBWR-2160 |
E |
0~800℃ |
300℃ |
|
SBWR-2260 |
K |
0~1300℃ |
400℃ |
|
SBWR-2360 |
S |
0~1600℃ |
600℃ |
|
SBWR-2460 |
B |
0~1800℃ |
800℃ |
|
SBWR-2560 |
T |
0~400℃ |
200℃ |
|
SBWR-2660 |
J |
0~1200℃ |
300℃ |
|
SBWR-2760 |
N |
0~1200℃ |
400℃ |
|
SBWR-4160 |
E |
0~800℃ |
300℃ |
|
SBWR-4260 |
K |
0~1300℃ |
400℃ |
|
SBWR-4360 |
S |
0~1600℃ |
600℃ |
|
SBWR-4460 |
B |
0~1800℃ |
800℃ |
|
SBWR-4560 |
T |
0~400℃ |
200℃ |
|
SBWR-4660 |
J |
0~1200℃ |
300℃ |
|
SBWR-4760 |
N |
0~1200 |
400℃ |
|
SBWZ-2160 |
Cu50 |
-50~150℃ |
50℃ |
|
SBWZ-2260 |
Cu100 |
-50~150℃ |
50℃ |
|
SBWZ-2460 |
Pt100 |
0~600℃ |
50℃ |
|
SBWZ-2460 |
Pt100 |
-100~200℃ |
50℃ |
|
SBWZ-4460 |
Pt100 |
-200~600℃ |
50℃ |

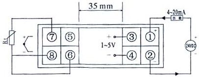
五、導軌式溫度變送器接線方式:
熱電阻三線制變送器安裝接線圖
熱電阻二絲制變送器安裝接線圖

熱電偶變送器安裝接線圖

導軌式變送器安裝接線圖

一體化液晶顯示變送器接線圖

六、熱電偶溫度變送器校驗步驟:
1、校驗時,在輸入端接入電位差計,輸出信號為電動勢,在輸出端接上24VDC穩壓電源并串接上標準電流表。
2、調零:反接信號輸入線,使電位差計輸出校驗現場室溫對應電動勢,調整電位器Z,使電流表讀數為4mA。
3、調滿:正接信號輸入線,使電位差計輸出滿量程對應電動勢,調整電位器S,使電流表讀數為20mA。(該電動勢為滿度電動勢減去室溫對應電動勢后的值)
例:在校驗現場室溫為7℃,輸入信號為K,量程為0~1000℃的溫度變送器標定,通過查表得知7℃對應電動勢為0.277mV,1000℃對應電動勢這41.269mV,反接后,電位差計輸出0.277mV,調整電位器Z,使電流表讀數為4mA;正接后電位差計輸出讀數為40.992mV(41.269mV~0.277mV),調整電位器S,使電流表讀數為20mA。
七、熱電阻溫度變送器校驗步驟:
1、標定時,按以上典型接線圖接線,在輸入端接入標準電阻箱(如ZX-25a),在輸出端接上24VDC穩壓電源并串接上標準電流表。
2、改變信號源發生器(電阻箱),使之等于量程的下限值,調整電位器Z,使電流表的讀數為4mA,改變信號源,使之等于量程的上限值,調整電位器S,使電流表的讀數為20mA即可。
例:輸入型號為Pt100量程為0~100℃的溫度變送器。正確接線后,電阻箱輸出100Ω,調整電位器Z,使電流表讀數為4mA;電阻箱輸出讀數為138.50Ω(即熱電阻在100℃時相對應的電阻值),調整電位器S,使電流表的讀數為20mA。
|
|
|
|
|
|
|
|
|
|
|
|
|
|
|
|
|
|
|
|
|
版權所有 Copyright(©)2009-2011 江蘇力科儀表有限公司
電話號碼:0517-86909222 商務熱線:15305232668 傳真:0517-86909221
地址:江蘇省金湖縣工業園
技術支持:易品網站建設專家 蘇ICP備13047422號-2