
電磁流量計傳感器自診斷信息與故障處理
電磁流量計是利用法拉第電磁感應定律的原理制造的。它能夠把流速(流量)這個物理量線性地變換成感應電動勢另一個物理量。 (1)結構簡單,無活動部件和阻礙被測介質流動的擾動件或節流件,不會發生管道堵塞、磨損等問題。 (2)電磁流量計是一種測量體積流量的儀表,其測量不受流體的密度、溫度、壓力、粘度、雷諾數影響。電磁流量計測量范圍很大。同一口徑傳感器,滿量程流速在0.3-15m/。范圍內任意設定,即上限范圍度為50: 1; 電磁流量計不能測量氣體、蒸汽和含有大量氣泡的液體,不能測量石油、石油制品和不導電的有機溶劑等液體。受襯里材料和電氣絕緣材料的溫度限制,目前工業電磁流量計還不能測量高溫介質。
LDE 智能電磁流量計
![]() |
一、概述 LD系列智能電磁流量計是采用國內外最先進技術研制開發的全智能型電磁流量計,其全中文電磁轉換器內核采用高速中央處理器。計算速度非???、精度高、測量性能可靠。轉換器電路設計采用國際先進技術,輸入阻抗高達 10 15 歐姆,共模抑制比優于 100db ,對于外來干擾以及 60Hz/50Hz 干擾抑制能力優于 90db, 可以測量更低的電導率的流體介質流量。其傳感器采用非均勻磁場技術及特殊的磁路結構,磁場穩定可靠,而且大的縮小了體積,減輕了重復,使流量計小型流量化的特點。使客戶“買的放心,用的省心,服務稱心”是我公司的宗旨。 |
二、產品特點:
管道內無可動部件,無阻流部件,測量中幾乎沒有附加壓力損失。
測量結果與流速分布,流體壓力,溫度、密度、粘度等物理參數無關。
在現場可根據用戶實際需要在線修改量程。
高清晰度背光 LCD 顯示,全中文菜單操作,使用方便,操作簡單,易學易懂。
采用 SMD 器件和表面貼裝( SMT 電路可靠性高。
采用 16 位嵌入式微處理器,運算速度快,精度高,可編程頻率低頻矩形波勵磁,測量的穩定,功耗低。
全數字量的處理,抗干擾能力強,測量可靠,精度高,流量測量范圍可達 150:1
超低 EMI 開關電源,使用電源電壓變化范圍大,抗 EMC 好
內部具有三個積算器可分別顯示正向累計量及差值積算量,內部設有不掉電時鐘,可記錄 16 次掉電時間
具有 RS485 、 RS232 、 Hart 和 Modbus 等數字通訊信號輸出。
具有自檢與自論功。
三、工作原理
電磁流量計測量原理是基于法拉第電磁感應定律。流量計的測量管是一內襯絕緣材料的非導磁合金短管。兩只電極沿管徑方向穿通管壁固定在測量管上。其電極頭與襯里內表面基本齊平。勵磁線圈由雙方波脈沖勵磁時,將在與測量管軸線垂直的方向上產生一磁通量密度為 B 的工作磁場。此時,如果具有一定電導率的流體流經測量管。將切割磁力線感應出電動勢 E 。電動勢 E 正比于磁通量密度 B ,測量管內徑 d 與平均流速 v 的乘積。電動勢 E (流量信號)由電極檢出并通過電纜送至轉換器。轉化器將流量信號放大處理后,可顯示流體流量,并能輸出脈沖,模擬電流等信號,用于流量的控制和調節。

式中: E : 電極間的信號電壓( v )
B :磁通密度( T )
D :測量管內徑( m )
V :平均流速( m/s )
式中 k, d 為常數,由于勵磁電流是恒流的,故 B 也是常數,則由 E= KBdv 可知,體積流量 Q 與信號電壓 E- 成正比,即流速感應的信號電壓 E 與體積 Q 成線性關系。因此,只要測量出 E 就可確定流量 Q ,這是電磁流量計的基本工作原理。
由 E=KBdv 可知,被測流量體介質的溫度、密度、壓力、電導率、液固兩兩相流體介質的液固成分比等參數不會影響測量結果。至于流動狀態只要符合軸對稱流動(如層流或者紊流)就不會影響測量結果的。因此說電磁流量計是一中真正的體積流量計。對于制造商和用戶來說,只要用普通的水實際標定后就可以測量其他任何導電流體介質的體積流量,而不需要任何修正。這是電磁流量計的一突出優點,是其他任何流量計所沒有的。測量管內無活動及阻流部件,因此幾乎沒有壓力損失,并且有分高的可靠性。
四、應用領域
由于電磁流量計有其獨特的優點,因此被廣泛用于化工化纖、食品、造紙、制糖、礦冶、給排水、環保、水利水工、鋼鐵、石油、制藥等工業領域中,用來測量各種酸、堿、鹽溶液、泥漿、礦漿、紙漿、煤水漿、玉米漿、纖維漿、糧漿、石灰乳、污水、冷卻原水、給排水、鹽水、雙氧水、啤酒、麥汁、各種飲料、黑液、綠液等導電液體介質的體積流量
五、主要技術參數
● 公稱通徑系列 DN(mm)
管道式四氟襯里: 10,15,20,25,32,40,50,65,80,100,125 , 150,200,250,300,350,400.450,500,600
管道式橡膠襯里: 40 , 50 , 65 , 80 , 100 , 125 , 150 , 200 , 300 , 350 , 400 , 500 , 600 , 800 , 1000
注:特殊規格可以定制
• 流動方向:正,反,凈流量,
量程比: 150 : 1
重復性誤差:測量值的± 0.1%
• 精度等級:管道式: 0.5 級, 1.0 級
• 被測介質溫度:
普通橡膠襯里: -20~+60 ℃ 高溫橡膠襯里: -20~+90 ℃
聚四氟乙烯襯里: -30~+100 ℃ 高溫型乙烯襯里: -30~+180 ℃
• 額定工作壓力: 2.5Mpa, 1.6Mpa, 1.0Mpa (高壓需定制)
• 流量測量范圍:流速度范圍是 0.3 — 15m/s
• 電導率范圍:
電導率≥ 5 μ s/cm 大多數以水為成份的介質,其導電率在 200-800 μ s/cm 范圍內,均可選用電磁流量。
• 輸出電流及負載電阻: 4~20mA 全隔離負載電阻< 750 歐姆,脈沖頻率 0-1KHZ 光電隔離 OCT ,外接電源≤ 35V ,導通時集電極最大電流為 25mA
• 電極材料:
含鉬不銹剛、鈦( Ti )、鉭( Ta )、哈氏合金( H )、鉑( Pt )或其他特殊電極材料
• 防護等級: 潛水型: IP68 ,其他型 IP65
• 供電電源: 85~265V , 45~63HZ
• 直管段長度:管道式:上游≥ 5DN ,下游≥ 2DN
• 連接方式:流量計與配管之間均采用法蘭連接,法蘭連接尺寸應符合 GB9119-88 的規定。
• 防暴標志: mdllBT4
• 環境溫度: -25 ℃ ~+60 ℃
• 相對溫度: 5%~95%
• 消耗總功率:小于 20W
六、常見介質電導率表
|
液體 |
電導率( μ s/cm ) |
液體 |
電導率(μ s/cm ) |
|
各種酸 |
10*10 4- 801 * 10 4 |
啤酒 |
600-800 |
|
堿液 |
8*10 4 -30*10 4 |
麥芽汁 |
500-1000 |
|
蒸餾水 |
0.01-5 |
牛奶 |
200-300 |
|
水及飲料 |
200-800 |
水果醬 |
400-1000 |
七、電磁流量計選型說明
|
LDE |
功 能 |
|||||||
|
通徑 |
XXX |
管道公稱直徑,單位毫米 |
||||||
|
組合 |
S |
就地顯示 + 變送遠傳, |
||||||
|
L |
分體型 |
|||||||
|
電極材料 |
M |
MO 2 Ti |
||||||
|
T |
Ti (鈦) |
|||||||
|
D |
Ta (鉭) |
|||||||
|
H |
哈氏合金 |
|||||||
|
P |
Pt (鉑) |
|||||||
|
襯里材料 |
X |
橡膠襯里 |
||||||
|
F |
聚四氟乙烯 |
|||||||
|
P |
聚乙烯 |
|||||||
|
輸出信號 |
0 |
無輸出 |
||||||
|
1 |
4-20mA/0-1kHZ |
|||||||
|
|
2 |
4-20Ma/RS232 |
||||||
|
接地環(電極) |
0 |
無接地環 |
||||||
|
1 |
有接地環 |
|||||||
|
2 |
有接地電極 |
|||||||
|
上限流量 |
XXX |
最大流量,單位 m 3 /h |
||||||
正確地選用電磁流量計是保證用好電磁流量計的前提條件。選用什么種類的電磁流量計應根據被測流體介質的物理性質和化學性質來決定,使電磁流量計的通徑,流量范圍,襯里材料,電極材料和輸出電流等,都能適應被測流體的性質和性質和流量的要求。
可測量的流體
由電磁流量計的工作原理可知,能選用電磁流量計測量流量的流體必須是導電的,嚴格的說,除了高溫流體之外,只要電導率大于 5 μ /cm 的任何流體都選用相應的電磁流量計來測量流量,因此不導電的氣體,蒸汽,油類,丙酮等物質不能選用電磁流量計來測量流量。
傳感器口徑的確定
流量計使用流速最好在 0.3-15m/s 范圍內,此時流量計口徑可選擇與用戶管道口徑一致。
使用流速低于 0.3m/s 時最好在儀表部位局部提高流速,采用縮管方式:
一體型或分離型的選擇
一體型:現場環境較好的情況下,一般都選用一體型,即傳感器和轉換器組裝成一體。
分離型:即傳感器和轉換器分開裝于不同的地點,一般出現以下情況時選用分離型。
⑴環境溫度或流量計轉換器表面受輻射溫度超過 60 o C.
⑵管道震動較大的場合。
⑶會對傳感器的鋁殼嚴重腐蝕的場合。
⑷現場溫度較大或有腐蝕性氣體的場合。
⑸流量計裝在高空或井下調試不方便的場合。
訂貨時應注明傳感器的轉換器分離距離,一般不能超過 100m, 轉換器為墻掛式安裝。
電極、接地環材料的選擇: 根據流體的腐蝕性選擇
|
材料 |
耐腐蝕性能 |
|
含鉬不銹鋼( OCr18Ni12Mo2Ti ) |
硝酸、溫室下< 5% 硫酸、沸騰的磷酸、蟻酸、堿溶液、在一定壓力下的亞硫酸、海水、醋酸 |
|
哈氏合金 C 哈氏合金 B(HC HB) |
耐氧化性酸、氧化性鹽、耐海水、耐非氧化性酸、非氧化性鹽、堿、常溫硫酸 |
|
鈦 (Ti) |
海水、各種氯化物和次氯酸鹽、氯化性酸(包括發煙硝酸)、有機酸、堿 |
|
鉭 (Ta) |
除氫氟酸、發煙硫酸、堿外的其余化學介質、包括沸點的鹽酸。硝酸和< 175oC 硫酸 |
|
鉑 (Pt) |
各種酸、堿、鹽不包括王水 |
襯里材料選擇說明: 應根據被測介質的腐蝕性、磨損性和溫度來選擇內襯材料。
|
內襯材料 |
名稱 |
符號 |
性能 |
工作溫度 |
適用液體 |
|
橡膠 |
氯丁橡膠 |
|
耐磨性中等,耐一般低濃度的酸堿鹽的腐蝕 |
< 80OC |
自來水、工業用水、海水 |
|
聚胺脂橡膠 |
|
極好的耐磨性能,耐酸堿性能較差 |
< 60OC |
紙漿、礦漿等漿液 |
|
|
氟塑料 |
聚四氯乙烯 |
F4 或 PTFE |
化學性能很穩定,耐沸騰的鹽酸、硫酸、王水、濃堿的腐蝕 |
< 180OC |
腐蝕性強的酸堿鹽液體 |
|
四氯乙烯和六氟丙烯譯名:特氟隆 FEP |
F46 或 FEP |
化學性能略遜于 F4 |
|
腐蝕性的酸堿鹽液體 |
|
|
塑料 |
四氯乙烯和乙烯 |
F4 或 ETFE |
化學性能略遜于 F4 |
|
腐蝕性的酸堿鹽液體 |
|
聚乙烯 |
PO |
化學性能穩定 |
< 60OC |
污水 |
|
|
聚苯硫醚 |
PPS |
|
< 150OC |
熱水 |
流量范圍的選擇: 最大流量和最小流量必須符合下表中的數。
|
內徑( mm ) |
10 |
15 |
20 |
25 |
32 |
40 |
50 |
65 |
|
Qmin(m3/h) Qmax(m3/h) |
0.0283 4.24 |
0.0636 9.54 |
0.12 16.96 |
0.176 26.5 |
0.29 43.42 |
0.452 67.85 |
0.7 106.0 |
1.19 179.0 |
|
內徑( mm ) |
80 |
100 |
125 |
150 |
200 |
250 |
300 |
350 |
|
Qmin(m3/h) Qmax(m3/h) |
1.8 271.0 |
2.28 424.0 |
4.41 662.0 |
6.36 954.0 |
11.3 1690 |
17.6 2650 |
25.4 3810 |
34.6 5190 |
|
內徑( mm ) |
400 |
450 |
500 |
550 |
600 |
700 |
800 |
900 |
|
Qmin(m3/h) Qmax(m3/h) |
45.2 6780 |
57.2 8570 |
77.6 10600 |
85.8 12800 |
101.0 15200 |
138.0 20700 |
180.0 27100 |
229.0 34300 |
|
內徑( mm ) |
1000 |
1100 |
1200 |
1400 |
1600 |
1800 |
2000 |
2200 |
|
Qmin(m3/h) Qmax(m3/h) |
282.0 42400 |
342.0 51300 |
407.0 61000 |
554.1 83121 |
732.7 108566 |
916.0 137404 |
1131.0 169635 |
1368.4 205258 |
八、安裝地點的選擇
流量計的接線: 若采用分體安裝連接的信號電纜采用定制的專用電纜線,電纜線越短越好
激磁電纜可選用 Yz 中型橡套電纜,其長度和信號電纜一樣
信號電纜必須與其它的電源嚴格分開,不能敷設在同一根管子內,不能平等敷設,不能絞在一起應單獨穿在鋼管內
信號電纜和激磁電纜盡可能短,不能將多余的電纜卷在一起,應將多余的電纜剪掉,并重新焊好接頭
電纜進入傳感器電氣接口時,在端口處做成 U 型,這樣可以防止雨水滲透到傳感器中。

一體就地顯示接線端
上排 : T-T+ -----------------------RS485 通訊
FUSE ------------------------ 電源保險絲
下排 : AL,AH------------------------ 上下限報警
P+,COM---------- 脈沖頻率, COM 與報警共用
1+ , COM-----------------------4 ~ 20mA
L1,L2-------- 電源 220V( 特殊訂貨 24VDC)

分體式遠傳接線端
轉換器上排: DS2,SGND,DS------------- 信號屏蔽(銅絲網)
EXT_EXT+------------------ 激磁線圈
TR,TR+---------------------RS485 通訊
COM,ALM+,ALM---------------- 上下限報警
L1,L2-------- 電源 220V( 特殊訂貨 24VDC)
轉換器下排 : SIG2,SGND,SIG1----------- 信號電極
ICCOM,ICOVT,INSW---------- 正反向 4 ~ 20Ma
只輸出一路電流 INSW 為空
PCOM,PUL-PUI+ ---------- 正反向脈沖頻率
傳感器 : SIG1,SIG2,SGND--------------- 信號電極
DS1,DS2-------------------- 信號屏蔽(銅絲網)
EXT+,EXT- ------------------ 激磁線圈
安裝要求
為了你正確的測量,在選擇管道上位置時應注意以下幾點要求:
⑴傳感器既可在直管道上安裝,也可以在水平或傾斜管道上安裝,但要求二電極的中心連線處于水平狀態。
⑵介質在安裝位置應該滿管流動,避免比滿管及氣體附著在電極上。
⑶對于液固兩相流體,最好采用垂直安裝,使被傳感器襯里磨損均勻,延長使用壽命。
⑷流量計安裝位置介質不滿管時,可采取抬高流量半后端管路的方法,使其滿管,嚴禁在管道最高點和出水口安裝流量計。(見圖)
⑸修改管道的安裝方法:
當介質流速達不到要求時,應當選用較小口徑的流量計,這時應使用異徑錐管或修改部分管道,使其與傳感器同口徑,但前后直管段至少須滿足:前直管段≥ 5DN, 后直管道≥ 2DN(DN 為管徑 )
⑹前后直管段為流量計前≥ 5DN ,后端≥ 2DN
為了使變送器工作可靠穩定,在選擇安裝地點時應注意以下幾個方面的要求:
盡量避開鐵磁性物體及具有強電磁場的設備(如大電機、大變壓器的等),以免磁場影響傳感器的工作磁場和流量信號。
應盡量安裝在干燥通風之處,不宜在潮濕、易積水的地方安裝。
應盡量避免日曬雨淋,避免環境溫度高于 60 ℃及相對濕度大于 95% 。

選擇便于維修,活動方便的地方。
流量計應安裝在水泵后端,閥門應安裝在流量下游側。
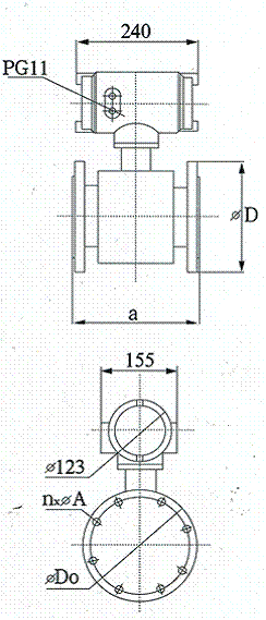
九、分體型轉換器外觀及安裝尺
流量計傳感器的外型尺寸 
|
DN |
a |
D |
Do |
n*A |
|
10 |
150 |
90 |
60 |
4*14 |
|
15 |
150 |
95 |
65 |
4*14 |
|
20 |
150 |
105 |
75 |
4*14 |
|
25 |
150 |
115 |
85 |
4*14 |
|
32 |
150 |
140 |
100 |
4*18 |
|
40 |
200 |
150 |
110 |
4*18 |
|
50 |
200 |
165 |
125 |
4*18 |
|
65 |
200 |
185 |
145 |
4*18 |
|
80 |
200 |
200 |
160 |
8*18 |
|
100 |
250 |
220 |
180 |
8*18 |
|
125 |
250 |
250 |
210 |
8*18 |
|
150 |
300 |
285 |
240 |
8*22 |
|
200 |
350 |
340 |
295 |
8*22 |
|
250 |
400 |
395 |
350 |
12*22 |
|
300 |
460 |
445 |
400 |
12*22 |
|
350 |
460 |
505 |
460 |
16*22 |
|
400 |
600 |
565 |
515 |
16*26 |
|
450 |
600 |
615 |
565 |
20*26 |
|
500 |
600 |
670 |
620 |
20*26 |
|
600 |
600 |
780 |
725 |
20*30 |
|
700 |
700 |
895 |
840 |
24*30 |
|
800 |
800 |
1015 |
950 |
24*33 |
|
900 |
900 |
1115 |
1050 |
28*33 |
|
1000 |
1000 |
1230 |
1160 |
28*36 |
|
1200 |
1200 |
1405 |
1340 |
32*33 |
|
1400 |
1400 |
1630 |
1560 |
36*36 |
|
1600 |
1600 |
1830 |
1760 |
40*36 |
|
1800 |
1800 |
2045 |
1970 |
44*39 |
|
2000 |
2000 |
2265 |
2180 |
48*42 |
|
2200 |
2200 |
2405 |
2315 |
52*45 |
十、儀表參數設置

儀表上有兩個運行狀態: 自動檢測狀態、參數設置狀態
儀表上電時,自動進入檢測狀態。在自動檢測狀態下,儀表自動完成各測功能并顯示相應的測量數據。在參數設置狀態下,用戶使用四個面板鍵,完成儀表參數設置。
功能鍵

下鍵:循環選擇屏幕下行顯示內容;
上鍵:循環選擇屏幕上行顯示內容;
復合鍵 + 確認鍵:進入參數設置狀態;
確認鍵:返回自動測量狀態。
則量狀態下, LCD 顯示器對比度的調節:小液晶是通過“復合鍵 + 上鍵”或“復合鍵 + 下鍵”按下數秒鐘:大液晶是通過調節大液晶的電位器來實現。
參數設置狀態下鍵功能 :
下鍵:光標處數字減 1 ;
上鍵:光標處數字加 1 ;
復合鍵 + 下鍵:光標左移;
復合鍵 + 上鍵:光標右移;
確認鍵進入 / 退出子菜單;
確認鍵:在任意狀態,連續按下兩秒鐘,返回自動檢測狀態。
注: 1 使用“復合鍵”時,應先按下復合鍵同時按住上“上鍵”或“下鍵”。
2 在參數設置狀態下, 3 分鐘沒有按鍵操作,儀表自動返回測量狀態。
3 流量零點修正的流向選擇,可將光標移至最左邊的“ + ”或“ - ”下,用“上鍵”
或“下鍵”切換使之與實際流量相反。
4 流量的單位選擇,可將光標移至“流量量程設置”菜單的原顯示的流量單位下,然后用“上鍵”或“下鍵”切換使之復合需要。
參數設置功能操作
要進行儀表參數設定或修改,必須使儀表從測量狀態進入參數設置狀態。在測量狀態下按“復合鍵 + 確認鍵”出現狀態密碼( 7206 ),再按“復合鍵 + 確認鍵”
后,則進入需要的參數設置狀態。
參數設置菜單
轉換器共有 24 個參數,用戶應根據具體情況設置各參數。轉換參數一覽表如下:
參數設置菜單一覽表
|
參數編號 |
參數文字 |
設置方式選擇 |
密碼級別 |
參數范圍 |
|
1 |
語言 |
選擇 |
2 |
中文、英文 |
|
2 |
儀表通訊地址 |
置數 |
2 |
0~99 |
|
3 |
儀表通訊速度 |
選擇 |
2 |
600~14400 |
|
4 |
測量管道口徑 |
選擇 |
2 |
3~3000 |
|
5 |
儀表量程設置 |
置數 |
2 |
0~99999 |
|
6 |
測量阻尼時間 |
選擇 |
2 |
0~100 |
|
7 |
流量方向擇項 |
選擇 |
2 |
正、反 |
|
8 |
流量零點修正 |
置數 |
2 |
± 0.000 |
|
9 |
小信號切除點 |
置數 |
2 |
0~99% |
|
10 |
允許切除顯示 |
選擇 |
2 |
允許 / 禁止 |
|
11 |
流量積算單位 |
選擇 |
2 |
0.00001L~1m3 |
|
12 |
電流輸出類型 |
選擇 |
2 |
0~10mA/4~20mA |
|
13 |
脈沖輸出方式 |
選擇 |
2 |
頻率 / 脈沖 |
|
14 |
脈沖單位當量 |
選擇 |
2 |
0.00001L~1m3 |
|
15 |
頻率輸出范圍 |
選擇 |
2 |
1~5000HZ |
|
16 |
空管報警允許 |
選擇 |
2 |
允許 / 禁止 |
|
17 |
空管報警閥值 |
置數 |
2 |
999.9% |
|
18 |
空管量程修正 |
置數 |
2 |
0.0000~3.9999 |
|
19 |
上限報警允許 |
選擇 |
2 |
允許 / 禁止 |
|
20 |
上限報警數值 |
置數 |
2 |
0.000~199.9% |
|
21 |
下限報警允許 |
選擇 |
2 |
允許 / 禁止 |
|
22 |
下限報警數值 |
置數 |
2 |
0.000~199.9% |
|
23 |
積算總量清零 |
密碼 |
3 |
0.0000~3.9999 |
|
24 |
清積算量密碼 |
置數 |
4 |
0.0000~3.9999 |
十一、自診斷信息與故障處理
電磁流量轉換器的印刷電路板采用表面焊接技術,對用戶而言,是不可維修的。因此,用戶不能打開轉換器殼體。智能化轉換器具有自診斷功能。除了電源和硬件電路故障外,一般應用中出現的故障均能正確給出報警信息。這些信息在顯示器右上方提出“!”驚嘆號。在測量狀態下,通過下鍵翻頁,顯示出故障內容如下:流量正常、勵磁報警、空管報警
• 儀表無顯示
• 檢查電源是否接通;
• 檢查電源保險絲是否完好;
• 檢查供電電壓是否符合要求;
• 檢查顯示器對比度調節是否能夠調節,并且調節是否合適;
• 如上述前 3 項 a) 、 b) 、 c) 都正常, d) 項顯示器對比度調節不能夠調節請將儀表交生產廠維修。
2 )勵磁報警
a) 勵磁接線 EX1 和 EX2 是否開路;
b) 傳感器勵磁線圈總電阻是否小于 150 Ω
c) 如果 a 、 b 兩項都正常,則轉換器有故障
3 )空管報警
a) 測量流體是否充滿傳感器測量管 ;
b) 用導線將轉換器信號輸入端子 SIG1 、 SIG2 和 IGGND 三點短路,此時如果“空管報警”提示撤消,說明轉換器正常,有可能是被測流體電導率低或空管閥值及空管量程設置錯誤;
c) 檢查信號連線是否正確;
d) 檢查傳感器電極是否正常;
①、使流量為零,觀察顯示電導比應小于 100%
②、在有流量的情況下,分別測量端子 SIG1 和 SIG2 對 SIGGND 的電阻應小于 50K Ω(對介質為水測量值。最好用指針萬用表測量,并可以看到測量過程有充放電路現象)。
e) 用萬用表測量 DS1 和 DS2 之間的直流電壓應小于 1V ,否則說明傳感器電極被污染,應給予清洗。
4 )上限報警
上限報警提示出輸出電流和輸出頻率(或脈沖)都超限制。將流程量程改大可以撤消上限報警。
5 )下限制報警
下限制報警提示出輸出電流和輸出頻率(或脈沖)都超限。將流量量程改小可以撤消下限報警。
上一篇:渦街流量計故障判斷及處理
版權所有 Copyright(©)2009-2011 江蘇力科儀表有限公司
電話號碼:0517-86909222 商務熱線:15305232668 傳真:0517-86909221
地址:江蘇省金湖縣工業園
技術支持:易品網站建設專家 蘇ICP備13047422號-2